Kupuj narzędzia marek premium online
ZAREJESTRUJ SIĘ
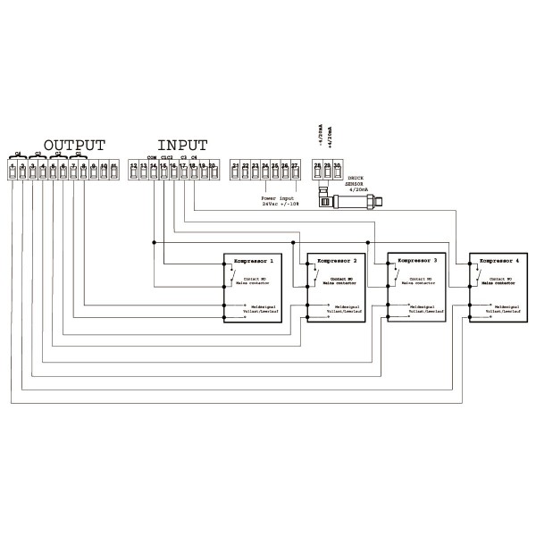
Wiele stacji sprężonego powietrza składa się z kilku sprężarek: EasyX4 jest tygodniowym programowalnym sterownikiem, który umożliwia konfigurację do czterech sprężarek w oparciu o rzeczywiste zapotrzebowanie na sprężone powietrze.
EasyX4 to najprostsze rozwiązanie do obsługi i monitorowania złożonych systemów sprężarkowych z maksymalnie czterema sprężarkami - przy stałej prędkości obrotowej.
Programowanie jest intuicyjne. Wystarczy ustawić cztery zakresy ciśnień (jeśli cztery to liczba podłączonych jednostek), a następnie zdefiniować, o której godzinie cała stacja sprężarek ma być włączona i wyłączona, z jakim ciśnieniem ma pracować każda sprężarka.
Trzy poziomy programowania:
Po włączeniu zasilania EASY X4 Sequence Controller, system włącza zasilanie i ustala warunki pracy, które istniały w momencie wyłączenia: "Standby" lub "Active". W trybie "Stand-by" sprężarki nie są włączone do pracy i tylko ten tryb umożliwia dostęp do menu poprzez naciśnięcie przycisku [OK].
Natomiast w trybie pracy "aktywnym", sterownik sekwencji EASY X4 zwalnia sprężarki zgodnie z trybami i czasami określonymi przez aktywny program, na podstawie ciśnienia obecnego w systemie i wyczuwanego przez przetwornik ciśnienia.
W trybie "stand-by" naciśnięcie klawisza Start (I) powoduje przejście regulatora sekwencji EASY X4 w stan inicjalizacji stanu.
Jeśli ciśnienie w systemie spadnie poniżej wartości wprowadzonej w parametrze [MinPrint], wartości ustawionej przez [Weight. Compr:], określona sprężarka zostanie włączona na czas odpowiadający parametrowi [Fill time:] (dostęp do tych parametrów można uzyskać poprzez menu [Settings], patrz rozdział "Ustawianie funkcji"). Dzięki temu system może być napełniany, gdy jest pusty (typowym przykładem jest włączanie go codziennie rano), przy użyciu jednej sprężarki i bez konieczności włączania wszystkich maszyn podłączonych do sterownika sekwencji EASY X4.
Po upływie czasu napełniania, sterownik sekwencyjny EASY X4 wykonuje programy wprowadzone przez operatora w zależności od ciśnienia i programu aktywnego w danym dniu i o danej porze.
Wszystkie informacje o stanie maszyn wyświetlane są na ekranie głównym.
Możliwe stany to: stand-by, pod ciśnieniem, pusty, wyłączony i w alarmie. Opis symboli, które pokazują te stany, znajduje się w rozdziale "Strona ekranu głównego".
Usterka występuje, gdy EASY X4 Sequence Controller nie otrzymuje informacji zwrotnej o stanie zdalnego dowódcy aktywnej sprężarki (więcej informacji na temat rodzaju komunikatu znajduje się w rozdziale "Instalacja"), w ramach parametrów ustawionych za pomocą parametru [Time Back:] dostępnego w menu [Ustawienia.
W celu uniknięcia jednoczesnego uruchomienia kilku sprężarek, za pomocą parametru [Opóźnienie startu:] można ustawić załączenie dwóch kolejnych sprężarek z pośrednim opóźnieniem czasowym. W ten sposób można uniknąć przeciążeń elektrycznych. Sterownik sekwencyjny EASY X4 może być w każdej chwili przełączony w stan "stand-by" poprzez naciśnięcie przycisku Stop (O). Wszystkie sprężarki przechodzą wtedy w stan spoczynku i zatrzymują się po upływie czasu spoczynku ustawionego na danej maszynie lub na sterowniku lokalnym. Aby odczytać lub zmienić tę wartość, należy zapoznać się z dokumentacją producenta sprężarki.
Gdy jednostka sterująca nie jest zasilana, styki sterujące sprężarek pozostają zamknięte, to znaczy, że sprężarki są włączone do pracy. Jest to funkcja awaryjna, która zapewnia pracę sprężarek również wtedy, gdy sterownik sekwencyjny EASY X4 nie jest zasilany z przyczyn zewnętrznych (przerwa w dostawie energii elektrycznej, itp.). Sprężarki są eksploatowane zgodnie z wartościami ciśnienia podanymi bezpośrednio przez poszczególne regulatory lub mierniki ciśnienia. Aby odczytać lub zmienić te wartości, należy zapoznać się z dokumentacją sprężarek.
Zakresy ciśnień roboczych, które są ustawione bezpośrednio na poszczególnych sterownikach lub presostatach sprężarek muszą przekraczać zakresy ciśnień ustawione na regulatorze sekwencji EASY X4. Wyklucza to nakładki w logice działania regulatora sekwencji EASY X4.
Dodatkowo zapewnia to "pracę awaryjną" sprężarki w przypadku awarii sterownika sekwencji EASY X4. Przykładowo, jeśli na regulatorze sekwencji EASY X4 ustawione są zakresy ciśnienia od 8,8 bar do 9,7 bar, to minimalne wartości ciśnienia ustawione na regulatorach lub presostatach sprężarek muszą być niższe od 8,7 bar, a maksymalne wartości muszą przekraczać 9,8 bar. W każdym przypadku należy jednak uwzględnić stratę ciśnienia pomiędzy ciśnieniem panującym w miejscu zainstalowania konwertera regulatora kolejności EASY X 4 a ciśnieniem mierzonym przez konwertery sprężarek.
Przykład: Jeżeli pomiędzy pozycją montażową konwertera regulatora kolejności EASY X4 a sprężarkami podczas pracy układu (bez przepływu sprężonego powietrza strata ciśnienia wynosi zero) zmierzony zostanie spadek ciśnienia o 0,4 bara, to biorąc pod uwagę powyższy przykład należałoby zastosować sprężarki o ciśnieniu wyższym o 0,4 bara. Dlatego maksymalne ciśnienie robocze sprężarek powinno być ustawione na wartość przekraczającą 10,2 bara (9,8 + 0,4). Ciśnienie to mogłoby przekroczyć maksymalne ciśnienie robocze samych sprężarek.
EasyX4 to najprostsze rozwiązanie do obsługi i monitorowania złożonych systemów sprężarkowych z maksymalnie czterema sprężarkami - przy stałej prędkości obrotowej.
Programowanie jest intuicyjne. Wystarczy ustawić cztery zakresy ciśnień (jeśli cztery to liczba podłączonych jednostek), a następnie zdefiniować, o której godzinie cała stacja sprężarek ma być włączona i wyłączona, z jakim ciśnieniem ma pracować każda sprężarka.
Trzy poziomy programowania:
- MANUAL: Sprężarki są ustawione na zadany zakres ciśnień roboczych
- AUTOMATYCZNIE: Zakresy ciśnień są wymieniane po programowalnym interwale czasowym
- PROGRAMOWANIE GRUPOWE: Sprężarki mogą być przełączane w obrębie grup
Po włączeniu zasilania EASY X4 Sequence Controller, system włącza zasilanie i ustala warunki pracy, które istniały w momencie wyłączenia: "Standby" lub "Active". W trybie "Stand-by" sprężarki nie są włączone do pracy i tylko ten tryb umożliwia dostęp do menu poprzez naciśnięcie przycisku [OK].
Natomiast w trybie pracy "aktywnym", sterownik sekwencji EASY X4 zwalnia sprężarki zgodnie z trybami i czasami określonymi przez aktywny program, na podstawie ciśnienia obecnego w systemie i wyczuwanego przez przetwornik ciśnienia.
W trybie "stand-by" naciśnięcie klawisza Start (I) powoduje przejście regulatora sekwencji EASY X4 w stan inicjalizacji stanu.
Jeśli ciśnienie w systemie spadnie poniżej wartości wprowadzonej w parametrze [MinPrint], wartości ustawionej przez [Weight. Compr:], określona sprężarka zostanie włączona na czas odpowiadający parametrowi [Fill time:] (dostęp do tych parametrów można uzyskać poprzez menu [Settings], patrz rozdział "Ustawianie funkcji"). Dzięki temu system może być napełniany, gdy jest pusty (typowym przykładem jest włączanie go codziennie rano), przy użyciu jednej sprężarki i bez konieczności włączania wszystkich maszyn podłączonych do sterownika sekwencji EASY X4.
Po upływie czasu napełniania, sterownik sekwencyjny EASY X4 wykonuje programy wprowadzone przez operatora w zależności od ciśnienia i programu aktywnego w danym dniu i o danej porze.
Wszystkie informacje o stanie maszyn wyświetlane są na ekranie głównym.
Możliwe stany to: stand-by, pod ciśnieniem, pusty, wyłączony i w alarmie. Opis symboli, które pokazują te stany, znajduje się w rozdziale "Strona ekranu głównego".
Usterka występuje, gdy EASY X4 Sequence Controller nie otrzymuje informacji zwrotnej o stanie zdalnego dowódcy aktywnej sprężarki (więcej informacji na temat rodzaju komunikatu znajduje się w rozdziale "Instalacja"), w ramach parametrów ustawionych za pomocą parametru [Time Back:] dostępnego w menu [Ustawienia.
W celu uniknięcia jednoczesnego uruchomienia kilku sprężarek, za pomocą parametru [Opóźnienie startu:] można ustawić załączenie dwóch kolejnych sprężarek z pośrednim opóźnieniem czasowym. W ten sposób można uniknąć przeciążeń elektrycznych. Sterownik sekwencyjny EASY X4 może być w każdej chwili przełączony w stan "stand-by" poprzez naciśnięcie przycisku Stop (O). Wszystkie sprężarki przechodzą wtedy w stan spoczynku i zatrzymują się po upływie czasu spoczynku ustawionego na danej maszynie lub na sterowniku lokalnym. Aby odczytać lub zmienić tę wartość, należy zapoznać się z dokumentacją producenta sprężarki.
Gdy jednostka sterująca nie jest zasilana, styki sterujące sprężarek pozostają zamknięte, to znaczy, że sprężarki są włączone do pracy. Jest to funkcja awaryjna, która zapewnia pracę sprężarek również wtedy, gdy sterownik sekwencyjny EASY X4 nie jest zasilany z przyczyn zewnętrznych (przerwa w dostawie energii elektrycznej, itp.). Sprężarki są eksploatowane zgodnie z wartościami ciśnienia podanymi bezpośrednio przez poszczególne regulatory lub mierniki ciśnienia. Aby odczytać lub zmienić te wartości, należy zapoznać się z dokumentacją sprężarek.
Zakresy ciśnień roboczych, które są ustawione bezpośrednio na poszczególnych sterownikach lub presostatach sprężarek muszą przekraczać zakresy ciśnień ustawione na regulatorze sekwencji EASY X4. Wyklucza to nakładki w logice działania regulatora sekwencji EASY X4.
Dodatkowo zapewnia to "pracę awaryjną" sprężarki w przypadku awarii sterownika sekwencji EASY X4. Przykładowo, jeśli na regulatorze sekwencji EASY X4 ustawione są zakresy ciśnienia od 8,8 bar do 9,7 bar, to minimalne wartości ciśnienia ustawione na regulatorach lub presostatach sprężarek muszą być niższe od 8,7 bar, a maksymalne wartości muszą przekraczać 9,8 bar. W każdym przypadku należy jednak uwzględnić stratę ciśnienia pomiędzy ciśnieniem panującym w miejscu zainstalowania konwertera regulatora kolejności EASY X 4 a ciśnieniem mierzonym przez konwertery sprężarek.
Przykład: Jeżeli pomiędzy pozycją montażową konwertera regulatora kolejności EASY X4 a sprężarkami podczas pracy układu (bez przepływu sprężonego powietrza strata ciśnienia wynosi zero) zmierzony zostanie spadek ciśnienia o 0,4 bara, to biorąc pod uwagę powyższy przykład należałoby zastosować sprężarki o ciśnieniu wyższym o 0,4 bara. Dlatego maksymalne ciśnienie robocze sprężarek powinno być ustawione na wartość przekraczającą 10,2 bara (9,8 + 0,4). Ciśnienie to mogłoby przekroczyć maksymalne ciśnienie robocze samych sprężarek.
- Maksymalny prąd przekaźnika
- 8
- Max. zużycie przy 24 V AC
- 200
2506018
Brak opini
PRODUKTY TEJ SAMEJ KATEGORII